欢迎光临天机传动官网,今天是:

磁粉制动器

  • 首 页
  • 产品中心
  • 磁粉制动器
  • 实力展示
  • 关于我们
  • 技术支持
  • 在线留言
  • 成功案例
  • 联系我们

    产品中心

    • 磁粉制动器
    • 磁粉离合器
    • 磁粉刹车器
    • 电磁离合器
    • 电磁制动器
    • 微型电磁离合器
    • 微型电磁制动器
    • 张力控制器
    • 电磁离合刹车器组合体
    • 金牌对边机伺服纠偏器
    • 气涨轴安全夹头
    • WP蜗轮蜗杆减速机
    • 离合刹车减速机
    • NMRV铝合金蜗轮蜗杆减速机
    • 无极变速机
    • 非标减速机电磁离合制动器组
    • 空压式离合器制动器

    联系我们

      联系人:陈小姐
      手 机:18027055835
      电 话:
      传 真:0769-85704468
      邮 箱:huang@dgtaiji.com.cn
      网 址:www.szlangan.com
      地 址:广东东莞市大朗镇松木山村利昌路13号

    您当前的位置:首页 > 产品中心 > 金牌对边机伺服纠偏器

    上一篇:光电液压纠偏系统(超声波光电纠偏控制器)

    下一篇:EPC伺服纠偏控制系统(伺服张力控制系统)

    • 名称: PO5金牌对边机厂家(气油压金牌对边机)

    • 分类: 金牌对边机伺服纠偏器

    •  
    • 分享到:

      详细介绍:

      东莞天机传动(台湾天机牌)生产厂家销售的PO5金牌对边机又称气油压金牌对边机,采用的进口原材料,台湾生产加工技术,产品通过ISO9001质量体系认证和CE认证,质量放心可靠。咨询热线:180-2828-7736。
      PO5金牌对边机(气油压金牌对边机)特点如下:造型美观、机械强度好、连接附件齐备;具有安装方便、传动可靠、运行平稳、磨损小寿命长;凭借着它极小的回退力驱动器反冲小,免维护;具有最灵敏的响应性能稳定性好、保护完备、效率高、热耗低,延缓了器件老化;安装极为方便、快捷,免去了复杂的调试和准备工作。
    气油压金牌对边机
      安装PO5金牌对边机(气油压金牌对边机)的优点:
    (1)因速度、拉力、材料厚薄不均或机械损害造成材料移位现象,可经由本系统修正回到原来的位置。
    (2)原先所需预留的材料修边量可降至最低的程度,节省加工材料需要预加的宽度,降低购料成本。
    (3)机械速度可大幅的提升,增加产量,并免除人员看顾材料及调整材料偏位时所花的时间及金钱,为您降低生产成本。
    (4)使您的成品材料边缘平整,中间加工品质提高,增加成品材料的附加价值,博得下游客户的讚许
      PO5金牌对边机(气油压金牌对边机)适用行业:薄膜机械,纸张机械,复合机械,贴合机械,包装机械,印刷机械,标机械签,造纸机械,塑料机械,成衣机械,线缆机械,金属加工机械,无纺机械,波纹板加工机械等。 
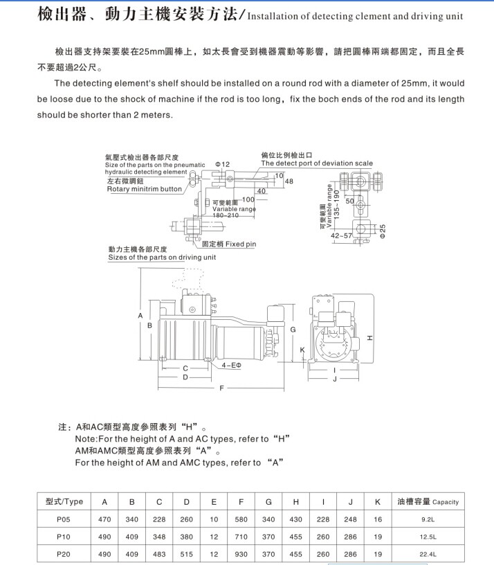
      以下是PO5金牌对边机(气油压金牌对边机)外形尺寸结构图

    金牌对边机






    上一篇:光电液压纠偏系统(超声波光电纠偏控制器)

    下一篇:EPC伺服纠偏控制系统(伺服张力控制系统)

      其它产品

    EPC伺服纠偏控制系统(伺服张力控制系统)

    EPC伺服纠偏控制系统(伺服张力控制系统)
    PO5金牌对边机厂家(气油压金牌对边机)

    PO5金牌对边机厂家(气油压金牌对边机)
    光电液压纠偏系统(超声波光电纠偏控制器)

    光电液压纠偏系统(超声波光电纠偏控制器)

    首 页 产品中心磁粉制动器实力展示关于我们技术支持在线留言成功案例联系我们
    主营产品:磁粉制动器  磁粉刹车器  磁粉离合器  张力控制器  电磁离合器  电磁制动器  电磁刹车器  
    电    话:唐小姐 18028287736    传真:0769-85704468   邮箱:huang@dgtaiji.com.cn
    地    址:广东东莞市大朗镇松木山村利昌路13号
    版权所有:版权所有:东莞市台机减速机有限公司   京ICP证000000号
    • 游小姐
    • 旺旺在线
    • 微信扫一扫,联系我们